В наличии
Характеристики:
Краткое описание:
Бесплатная консультация наших специалистов:
Заказать звонок специалиста
Дробилка молотковая (далее дробилка) предназначена для дробления зерна злаковых, пленчатых, бобовых культур, кукурузы, зерносмесей, шрота, мелкокускового жмыха и других видов сырья, кроме минерального. Может использоваться самостоятельно или в составе технологических линий и агрегатов.
Дробилки изготавливаются по 3-ей категории ГОСТ 15150 в климатическом исполнении «У» для внутреннего рынка и экспорта в страны с умеренным климатом.
Технические характеристики
|
Наименования показателей |
|
Тип |
|
|||
|
А1-ДМ2Р-55 |
А1-ДМ2Р-75 |
А1-ДМ2Р-110 |
А1-ДМ2Р-160 |
А1-ДМ2Р-200 |
||
|
1.Производительность техническая при измельчении ячменя влажностью не более 15,5% с объемной массой не менее 0,68 т\м3, не менее: до 4-ой группы крупности; Ø6 и Ø8 - до 3-ой группы крупности; Ø5 - до 2-ой группы крупности Ø3 |
т/час
|
6,5 4,5 2,5 |
10,0 8,0 3,5 |
14,5 13,0 6,0 |
22,5 17,0 8,0 |
28,0 21,0 10,0 |
|
2. Суммарная установленная мощность, не более |
кВт |
55,55 |
75,55 |
110,55 |
160,55 |
200,55 |
|
3. Частота вращения ротора |
об/мин |
1500 |
1500 |
1500 |
1500 |
1500 |
|
4. Окружная скорость молотков ротора |
м/с |
91±3 |
91±3 |
91±3 |
91±3 |
91±3 |
|
5. Габаритные размеры, не более - длина; - ширина; - высота (без взрыворазрядной камеры) - питатель 07 |
мм |
1600 1370 2250 2800 |
1650 1370 2250 2800 |
1950 1370 2250 2800 |
2350 1370 2250 2800 |
2350 1370 2250 2800 |
|
6. Масса собственно дробилки (без запасных и сменных частей, электропанелей и пульта управления) |
кг |
1440 |
1765 |
2290 |
2600 |
3400 |
|
7. Расход воздуха на аспирацию |
м3/час |
2700 |
2700 |
3600 |
4200 |
4200 |
|
8. Срок службы |
лет |
8 |
8 |
8 |
8 |
8 |
Внимание! Повышение влажности снижает производительность машины. Так, при увеличении влажности до 20% производительность снижается на 30%.
*) 4-я группа крупности получается при установке в машину сит с отверстиями диаметром 6 мм и комбинацией сит с отверстиями диаметром 6 и 8 мм,
3-я группа крупности – при установке сит с отверстиями диаметром 5 мм,
Устройство и работа
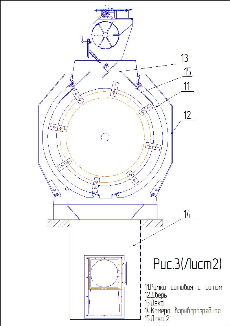
Дробилка (рис.3 листы 1-2) состоит из станины 1, на которую установлен корпус 2, ротора с молотками 3, установленного в корпусах подшипников 5, питателя 4, клапана перекидного 6, муфты 8, напрямую соединяющей электродвигатель 9 с ротором, рамки ситовой с ситом и декой 11, дверей 12. Внутри корпуса в верхней его части установлены специальные деки 13. На корпусе дробилки закреплен клемный ящик 10.
Максимально щадящий режим для сит и ударных пластин благодаря встроенного в рабочую камеру кармана для инородных тел.


Электрооборудование дробилки включает: установленные на дробилке электродвигатель привода ротора, электродвигатель привода питателя, пять конечных выключателей, клемный ящик, а также не входящие в комплект поставки : органы управления дробилкой и пускозащитную аппаратуру (устройство плавного пуска или частотный преобразователь). Ящик управления, устанавливаемый в отдельном производственном помещении, аварийный кнопочный пост и панель управления – на стене или колонне рядом с дробилкой.
Рекомендуемые схемы подключения электрооборудования приведены на рис. 6-7. Предусмотрена установка датчиков контроля температуры подшипников и камеры дробления.

Питатель предназначен для равномерной подачи сырья в дробильную камеру и выделения при этом металломагнитных примесей (т. е. магнитной защиты рабочих органов дробилки от попадания металломагнитных примесей и исключения возникновения искры).
Питатель состоит из сварного корпуса с дверкой, на внутренней стороне которой закреплен кронштейн с постоянными магнитами. В целях безопасности, конечный выключатель, обеспечивает блокировку включения двигателей дробилки при открытой дверке питателя. В корпусе установлен барабан на подшипниках, в виде цилиндра с продольными ребрами. Привод барабана осуществляется от двигателя через червячный мотор-редуктор. Питатель снабжен заслонкой, перемещаемой с помощью винтовой передачи и маховичка. С помощью заслонки можно перекрыть подачу продукта, либо отрегулировать ее вручную. При автоматической регулировке оборотов питателя от нагрузки амперметра основного двигателя заслонка отсутствует. Периодически требуется очищать магнитную защиту, удаляя металлопримеси вручную.
Корпус дробилки представляет собой сборную конструкцию из толсто-листового металла и корпусных деталей. Корпус снабжен перекидным клапаном для изменения направления сыпи продукта в зависимости от направления вращения ротора. Включение реверсивного направления блокируется концевыми выключателями перекидного клапана. Положение клапана должно соответствовать направлению вращения дробилки. По бокам корпус закрывают съемные двери коробчатой формы с уплотнениями из губчатой резины по всему периметру. В целях безопасности двери взаимодействуют с конечными выключателями, обеспечивающими блокировку запуска электродвигателей при открытом положении дверей. Внутри корпуса, на его торцевых стенках, концентрично ротору установлены направляющие, на них устанавливаются ситовые корпуса с ситами.
Молотковый ротор – основной рабочий орган дробилки. Он выполнен в виде вала, опирающегося на два сферических роликовых подшипника. На валу через распорные втулки установлены диски, стянутые стяжными осями. Диски также служат для ограничения перемещения молотков вдоль осей их подвеса.
Основные размеры устанавливаемых молотков приведены на рис.4.
Работа дробилки происходит по следующей схеме: продукт попадает в питатель, затем, распределившись по всей ширине, поступает в дробильную камеру и далее на молотки ротора. Под ударным действием молотков продукт измельчается (процесс дробления) и просыпается через сито вниз дробилки и самотеком выводятся из нее через взрыворазрядную камеру.
Заказать звонок
Быстрое оформление заказа
Имеющийся рейтинг: 0 из 5
Пожалуйста Выбрать желаемую оценку:
Заказать звонок